Versione italiana o inglese della scheda 

 
2812Z - PRESSORI A MOLLA LISCI - Prod. SCU2812Z - PRESSORI A MOLLA LISCI - Prod. SCU

Salva foto in alta risoluzione

   

 Stampa la scheda
 Invia la scheda

 Apri la pagina del catalogo
 Vai ai prodotti di pag.

Prodotto precedente Prodotto precedente
Prodotto successivo Prodotto successivo

2812Z  

Prod. SCU

 

PRESSORI A MOLLA LISCI

smooth spring plungers

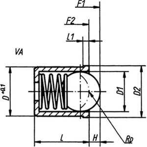
Tipo a corpo liscio, con sfera. Corpo in termoplastica nera. Sfera e molla in acciaio inossidabile, temprati. Tolleranza sul Ø D:+0,1.

 Aggiungi al carrello  

NoteCod. Art.Cad.Cod. Prod.Corpo Ø D
mm
Forza min F1
N
Forza max F2
N
Ø sfera D1
mm
Ø tot. est. D2
mm
Lungh. pressore L
mm
Sporgenza sfera H
mm
Peso c.ca
grammi
Peso ArtQTAMIN
2812Z 4€ 1,16 43734,650,70,170,0010
2812Z 5€ 1,18 54745,6610,350,0010
2812Z 6€ 1,28 661256,571,50,660,0010
2812Z 8€ 1,46 86126,58,591,81,460,0010
 

News